Trailer Light Wiring On Truck / Right Angle 3 Pin Plug For Trailer Lights And Truck Lights Super Bright Leds -

Trailer Light Wiring On Truck / Right Angle 3 Pin Plug For Trailer Lights And Truck Lights Super Bright Leds -

One tip is to always unplug the boat trailer harness from the tow vehicle before launching and loading. By law, trailer lighting must be connected into the tow vehicle's wiring system to provide trailer running lights, turn signals and brake lights. 07.05.2019 · whether you're installing a new trailer light circuit in your car or truck or trying to troubleshoot trailer wiring that is not working, you'll need to understand what each wire in the trailer wiring harness does, where it likely goes, and why it may not be working well. Trailer electrical connectors come in a variety of shapes and sizes. Too much paint, dirt, or rust can cause bad grounds, so make sure the ground is secured to the bare metal frame.

If there is not a white ground wire coming out of a trailer light, then the light is grounded through its mounting studs. Abn 1886 4 Way 4 Pin Plug 20 Gauge Trailer Light Wiring Harness Extension 1ft Walmart Com
Abn 1886 4 Way 4 Pin Plug 20 Gauge Trailer Light Wiring Harness Extension 1ft Walmart Com from i5.walmartimages.com
One tip is to always unplug the boat trailer harness from the tow vehicle before launching and loading. These bulbs are used as: Properly functioning trailer lights are a must for safety, so check your lights every time you use your trailer. Interior dome license plate trunk vanity courtesy cargo area box bulb bulbs glove led light low map overhead rear step led automotive car boat motorcycle, truck replacement light bulbs. By law, trailer lighting must be connected into the tow vehicle's wiring system to provide trailer running lights, turn signals and brake lights. 6418 6411 c5w 6428 6461 6486x 6413 36mm dome festoon led replacement bulb Also look for pinched or cut wires; This diagram shows the colors of a basic trailer wiring setup as well as what each wire is …

Trailer electrical connectors come in a variety of shapes and sizes.

Trailer electrical connectors come in a variety of shapes and sizes. Interior dome license plate trunk vanity courtesy cargo area box bulb bulbs glove led light low map overhead rear step led automotive car boat motorcycle, truck replacement light bulbs. If your utility trailer is starting to show its age, you no doubt have had problems with your lights. 6418 6411 c5w 6428 6461 6486x 6413 36mm dome festoon led replacement bulb Also look for pinched or cut wires; This diagram shows the colors of a basic trailer wiring setup as well as what each wire is … A trailer wiring system is grounded to the frame near the coupler and each light also needs to be grounded. 4 way flat molded connectors allow basic hookup for three lighting functions; Too much paint, dirt, or rust can cause bad grounds, so make sure the ground is secured to the bare metal frame. 07.05.2019 · whether you're installing a new trailer light circuit in your car or truck or trying to troubleshoot trailer wiring that is not working, you'll need to understand what each wire in the trailer wiring harness does, where it likely goes, and why it may not be working well. If there is not a white ground wire coming out of a trailer light, then the light is grounded through its mounting studs. Some of the most basic maintenance practices can add years of service to your trailer lighting system. Now that you know the types of connectors, you have to determine what you have on your vehicle to make the connection to a trailer.

Interior dome license plate trunk vanity courtesy cargo area box bulb bulbs glove led light low map overhead rear step led automotive car boat motorcycle, truck replacement light bulbs. By law, trailer lighting must be connected into the tow vehicle's wiring system to provide trailer running lights, turn signals and brake lights. Keep your trailer light wiring in tiptop condition. Trailer wiring diagrams 4 way systems. One tip is to always unplug the boat trailer harness from the tow vehicle before launching and loading.

07.05.2019 · whether you're installing a new trailer light circuit in your car or truck or trying to troubleshoot trailer wiring that is not working, you'll need to understand what each wire in the trailer wiring harness does, where it likely goes, and why it may not be working well. Edgar Custom 4 Flat Trailer Wiring Harness For Car Truck Cable Assembly Manufacturer With Ipc620 For Grote Light China Auto Parts Electric Cable Made In China Com
Edgar Custom 4 Flat Trailer Wiring Harness For Car Truck Cable Assembly Manufacturer With Ipc620 For Grote Light China Auto Parts Electric Cable Made In China Com from image.made-in-china.com
4 way flat molded connectors allow basic hookup for three lighting functions; If your utility trailer is starting to show its age, you no doubt have had problems with your lights. Interior dome license plate trunk vanity courtesy cargo area box bulb bulbs glove led light low map overhead rear step led automotive car boat motorcycle, truck replacement light bulbs. Trailer electrical connectors come in a variety of shapes and sizes. This diagram shows the colors of a basic trailer wiring setup as well as what each wire is … Right turn signal / stop light (green), left turn signal / stop light (yellow), taillight / license / side marker (brown) and a ground (white). 07.05.2019 · whether you're installing a new trailer light circuit in your car or truck or trying to troubleshoot trailer wiring that is not working, you'll need to understand what each wire in the trailer wiring harness does, where it likely goes, and why it may not be working well. Trailer wiring diagrams 4 way systems.

By law, trailer lighting must be connected into the tow vehicle's wiring system to provide trailer running lights, turn signals and brake lights.

Same as 4 way system listed above but adds a extra blue wire for brake. If there is not a white ground wire coming out of a trailer light, then the light is grounded through its mounting studs. One tip is to always unplug the boat trailer harness from the tow vehicle before launching and loading. Keep your trailer light wiring in tiptop condition. Some of the most basic maintenance practices can add years of service to your trailer lighting system. Too much paint, dirt, or rust can cause bad grounds, so make sure the ground is secured to the bare metal frame. Now that you know the types of connectors, you have to determine what you have on your vehicle to make the connection to a trailer. 07.05.2019 · whether you're installing a new trailer light circuit in your car or truck or trying to troubleshoot trailer wiring that is not working, you'll need to understand what each wire in the trailer wiring harness does, where it likely goes, and why it may not be working well. 6418 6411 c5w 6428 6461 6486x 6413 36mm dome festoon led replacement bulb If your vehicle is not equipped with a working trailer wiring harness, there are a number of different solutions to provide the perfect … This diagram shows the colors of a basic trailer wiring setup as well as what each wire is … These bulbs are used as: A trailer wiring system is grounded to the frame near the coupler and each light also needs to be grounded.

One tip is to always unplug the boat trailer harness from the tow vehicle before launching and loading. If your vehicle is not equipped with a working trailer wiring harness, there are a number of different solutions to provide the perfect … Trailer wiring diagrams 4 way systems. Trailer electrical connectors come in a variety of shapes and sizes. A trailer wiring system is grounded to the frame near the coupler and each light also needs to be grounded.

Some of the most basic maintenance practices can add years of service to your trailer lighting system. 7 Pin Towing Trailer Light Tester Horsebox Caravan Car Truck Vehicle Light Electric Diagnostic Wiring Circuit Tester Socket Electrical Testers Test Leads Aliexpress
7 Pin Towing Trailer Light Tester Horsebox Caravan Car Truck Vehicle Light Electric Diagnostic Wiring Circuit Tester Socket Electrical Testers Test Leads Aliexpress from ae01.alicdn.com
6418 6411 c5w 6428 6461 6486x 6413 36mm dome festoon led replacement bulb 07.05.2019 · whether you're installing a new trailer light circuit in your car or truck or trying to troubleshoot trailer wiring that is not working, you'll need to understand what each wire in the trailer wiring harness does, where it likely goes, and why it may not be working well. 4 way tow vehicle side. Also look for pinched or cut wires; Keep your trailer light wiring in tiptop condition. Trailer electrical connectors come in a variety of shapes and sizes. Interior dome license plate trunk vanity courtesy cargo area box bulb bulbs glove led light low map overhead rear step led automotive car boat motorcycle, truck replacement light bulbs. Properly functioning trailer lights are a must for safety, so check your lights every time you use your trailer.

07.05.2019 · whether you're installing a new trailer light circuit in your car or truck or trying to troubleshoot trailer wiring that is not working, you'll need to understand what each wire in the trailer wiring harness does, where it likely goes, and why it may not be working well.

Also look for pinched or cut wires; 07.05.2019 · whether you're installing a new trailer light circuit in your car or truck or trying to troubleshoot trailer wiring that is not working, you'll need to understand what each wire in the trailer wiring harness does, where it likely goes, and why it may not be working well. Trailer wiring diagrams 4 way systems. If your utility trailer is starting to show its age, you no doubt have had problems with your lights. 21.11.2018 · truck trailer light wiring: 4 way flat molded connectors allow basic hookup for three lighting functions; 6418 6411 c5w 6428 6461 6486x 6413 36mm dome festoon led replacement bulb Properly functioning trailer lights are a must for safety, so check your lights every time you use your trailer. Interior dome license plate trunk vanity courtesy cargo area box bulb bulbs glove led light low map overhead rear step led automotive car boat motorcycle, truck replacement light bulbs. Keep your trailer light wiring in tiptop condition. Trailer electrical connectors come in a variety of shapes and sizes. A trailer wiring system is grounded to the frame near the coupler and each light also needs to be grounded. This diagram shows the colors of a basic trailer wiring setup as well as what each wire is …

Trailer Light Wiring On Truck / Right Angle 3 Pin Plug For Trailer Lights And Truck Lights Super Bright Leds -. 07.05.2019 · whether you're installing a new trailer light circuit in your car or truck or trying to troubleshoot trailer wiring that is not working, you'll need to understand what each wire in the trailer wiring harness does, where it likely goes, and why it may not be working well. Trailer electrical connectors come in a variety of shapes and sizes. Properly functioning trailer lights are a must for safety, so check your lights every time you use your trailer. 4 way flat molded connectors allow basic hookup for three lighting functions; Too much paint, dirt, or rust can cause bad grounds, so make sure the ground is secured to the bare metal frame.

Stamford Generator Wiring Diagram Manual : Merequipment Com -

Stamford Generator Wiring Diagram Manual : Merequipment Com -

Before you search for a. 1,910 74 variety of wire crafts. Trying to find the right automotive wiring diagram for your system can be quite a daunting task if you don't know where to look. In the towns around fort bragg, north carolina, retired special forces soldiers apply to their companies what they learned in combat. Wires and circuits are the base of your electrical system.

Learn about different types of wiring, cords, switches, and outlets and more circuitry basics. 160 Kva Generator Set Diesel Hfw 160 T5 Soundproof
160 Kva Generator Set Diesel Hfw 160 T5 Soundproof from www.himoinsa.com
Reading terminal market has undergone many changes in its long history, but its merchants have never stray. Learn about different types of wiring, cords, switches, and outlets and more circuitry basics. Check out this guide to oven wiring problems, and to finding those oven wiring diagrams that you need. A vehicle wiring diagram is a lot like a road map, according to search auto parts. Wires and circuits are the base of your electrical system. In the towns around fort bragg, north carolina, retired special forces soldiers apply to their companies what they learned in combat. These simple visual representations all. Such opportunities seem to be opening up every time you turn around.

Wires and circuits are the base of your electrical system.

Trying to find the right automotive wiring diagram for your system can be quite a daunting task if you don't know where to look. Finding a ge oven wiring. Wires and circuits are the base of your electrical system. Such opportunities seem to be opening up every time you turn around. A home or vehicle is a maze of wiring and connections, making repairs and improvements a complex endeavor for some. Check out this guide to oven wiring problems, and to finding those oven wiring diagrams that you need. These simple visual representations all. Repairing an electrical problem with your oven is definitely easier when you find the right oven wiring diagram. In the towns around fort bragg, north carolina, retired special forces soldiers apply to their companies what they learned in combat. 1,910 74 variety of wire crafts. This color coding makes it easier for the layman to quickly repair most automobile. Luckily, there are some places that may have just what you need. By doganie in art by rhonda chase design in jewelry by rhonda chase design in jewelry by emilyvanleemput in jewelry by muhaiminah faiz in jewelry by jfeathersmith in.

Learning to read and use wiring diagrams makes any of these repairs safer endeavors. Before you search for a. A vehicle wiring diagram is a lot like a road map, according to search auto parts. Was yours one of them? In the towns around fort bragg, north carolina, retired special forces soldiers apply to their companies what they learned in combat.

Learn about different types of wiring, cords, switches, and outlets and more circuitry basics. Genpowerusa Com
Genpowerusa Com from
Was yours one of them? By doganie in art by rhonda chase design in jewelry by rhonda chase design in jewelry by emilyvanleemput in jewelry by muhaiminah faiz in jewelry by jfeathersmith in. Repairing an electrical problem with your oven is definitely easier when you find the right oven wiring diagram. In the towns around fort bragg, north carolina, retired special forces soldiers apply to their companies what they learned in combat. Check out this guide to oven wiring problems, and to finding those oven wiring diagrams that you need. Such opportunities seem to be opening up every time you turn around. A home or vehicle is a maze of wiring and connections, making repairs and improvements a complex endeavor for some. Before you search for a.

Was yours one of them?

Before you search for a. A vehicle wiring diagram is a lot like a road map, according to search auto parts. Was yours one of them? These simple visual representations all. 1,910 74 variety of wire crafts. In the towns around fort bragg, north carolina, retired special forces soldiers apply to their companies what they learned in combat. Wires and circuits are the base of your electrical system. Luckily, there are some places that may have just what you need. Such opportunities seem to be opening up every time you turn around. A home or vehicle is a maze of wiring and connections, making repairs and improvements a complex endeavor for some. Check out this guide to oven wiring problems, and to finding those oven wiring diagrams that you need. Trying to find the right automotive wiring diagram for your system can be quite a daunting task if you don't know where to look. Learn about different types of wiring, cords, switches, and outlets and more circuitry basics.

This color coding makes it easier for the layman to quickly repair most automobile. A vehicle wiring diagram is a lot like a road map, according to search auto parts. Learn about different types of wiring, cords, switches, and outlets and more circuitry basics. Trying to find the right automotive wiring diagram for your system can be quite a daunting task if you don't know where to look. Was yours one of them?

A vehicle wiring diagram is a lot like a road map, according to search auto parts. Cummins B Series 6bta5 9 M3 Wiring Diagram
Cummins B Series 6bta5 9 M3 Wiring Diagram from boatdiesel.com
Was yours one of them? Before you search for a. In the towns around fort bragg, north carolina, retired special forces soldiers apply to their companies what they learned in combat. Learn about different types of wiring, cords, switches, and outlets and more circuitry basics. Luckily, there are some places that may have just what you need. Wires and circuits are the base of your electrical system. These simple visual representations all. Such opportunities seem to be opening up every time you turn around.

Was yours one of them?

Reading terminal market has undergone many changes in its long history, but its merchants have never stray. Luckily, there are some places that may have just what you need. Such opportunities seem to be opening up every time you turn around. Repairing an electrical problem with your oven is definitely easier when you find the right oven wiring diagram. 1,910 74 variety of wire crafts. This color coding makes it easier for the layman to quickly repair most automobile. A vehicle wiring diagram is a lot like a road map, according to search auto parts. Learn about different types of wiring, cords, switches, and outlets and more circuitry basics. Before you search for a. Finding a ge oven wiring. In the towns around fort bragg, north carolina, retired special forces soldiers apply to their companies what they learned in combat. By doganie in art by rhonda chase design in jewelry by rhonda chase design in jewelry by emilyvanleemput in jewelry by muhaiminah faiz in jewelry by jfeathersmith in. Was yours one of them?

Stamford Generator Wiring Diagram Manual : Merequipment Com -. Learn about different types of wiring, cords, switches, and outlets and more circuitry basics. A vehicle wiring diagram is a lot like a road map, according to search auto parts. By doganie in art by rhonda chase design in jewelry by rhonda chase design in jewelry by emilyvanleemput in jewelry by muhaiminah faiz in jewelry by jfeathersmith in. Luckily, there are some places that may have just what you need. Learning to read and use wiring diagrams makes any of these repairs safer endeavors.

Windshield Wiper Parts Diagram - Front Rear Wiper Installation Pantograph Arm Motor Grader Komatsu Gd530a 1 Aw 1 Superstructure 777parts -

Windshield Wiper Parts Diagram - Front Rear Wiper Installation Pantograph Arm Motor Grader Komatsu Gd530a 1 Aw 1 Superstructure 777parts -

See below for instructions on how to use these terminals. We also stock a great selection of nos new old stock parts for your early 911. Use these extra terminals to run wires through the firewall using the male and female bulkhead connectors on the harness. Pop the hood on your vehicle so you can access the tank. Searching for replacement willys jeep body parts for your restoration project?

23.01.2014 · we want to offer this 1981 to 1989 gm truck v.i.n. Custom Windshield Wiper Linkage High Quality Wiper Parts Front Winter Wiper Blades Manufacturers China Customized Products Xiamen Eco
Custom Windshield Wiper Linkage High Quality Wiper Parts Front Winter Wiper Blades Manufacturers China Customized Products Xiamen Eco from www.ecobusparts.com
The vehicle is considered unsafe if the wipers don't work. Locate the tank's spout, which has a cap with a picture of … Call our friendly sales staff at. Years through 1981 to 1989 pickups the vin # consisted of the division number, gvw range, chassis type, series, body type, engine description, and year. Kaiser willys carries a large selection of body parts. If you need a wiring diagram check in our dodge truck technical section to see how to order one for free! To get a free vacuum hose routing diagram check in our dodge truck technical section to see how to order one! 21.07.2021 · working windshield wipers are vital for driver visibility.

Kaiser willys carries a large selection of body parts.

Use these extra terminals to run wires through the firewall using the male and female bulkhead connectors on the harness. See below for instructions on how to use these terminals. We also stock a great selection of nos new old stock parts for your early 911. Your local parts distributor painless performance has included 20 extra male and female bulkhead terminals in this harness kit. The front wiper motor and the wiper transmission mechanism (linkage) are installed below the windshield, under the cowl panel cover. If you need a wiring diagram check in our dodge truck technical section to see how to order one for free! Pop the hood on your vehicle so you can access the tank. Fast, free shipping over $98. Searching for replacement willys jeep body parts for your restoration project? Free shipping on online orders over $98.00 see details. Call our friendly sales staff at. 22.03.2021 · replacing hoses and washer tanks usually require you to remove parts, so it may be difficult to do at home if you don't have experience working on vehicles. Wiring harnesses, wiring harness clips, and obsolete parts for classic chevy trucks and gmc trucks from classic parts of america.

Locate the tank's spout, which has a cap with a picture of … The front wiper motor and the wiper transmission mechanism (linkage) are installed below the windshield, under the cowl panel cover. Number decoder diagram for our customers and anyone searching for more education about chassis identification. If you need a wiring diagram check in our dodge truck technical section to see how to order one for free! Wiring harnesses, wiring harness clips, and obsolete parts for classic chevy trucks and gmc trucks from classic parts of america.

Use these extra terminals to run wires through the firewall using the male and female bulkhead connectors on the harness. Mercedes Benz Genuineparts Wiper Blade Adapter
Mercedes Benz Genuineparts Wiper Blade Adapter from www.la.mercedes-benz.com
21.07.2021 · working windshield wipers are vital for driver visibility. The vin identification number moved … We also stock a great selection of nos new old stock parts for your early 911. The front wiper motor and the wiper transmission mechanism (linkage) are installed below the windshield, under the cowl panel cover. See below for instructions on how to use these terminals. Number decoder diagram for our customers and anyone searching for more education about chassis identification. Fast, free shipping over $98. To get a free vacuum hose routing diagram check in our dodge truck technical section to see how to order one!

Fast, free shipping over $98.

See below for instructions on how to use these terminals. The vin identification number moved … Searching for replacement willys jeep body parts for your restoration project? Number decoder diagram for our customers and anyone searching for more education about chassis identification. Years through 1981 to 1989 pickups the vin # consisted of the division number, gvw range, chassis type, series, body type, engine description, and year. The terminals we have provided you are designed for wire gauges … Locate the tank's spout, which has a cap with a picture of … Your local parts distributor painless performance has included 20 extra male and female bulkhead terminals in this harness kit. The vehicle is considered unsafe if the wipers don't work. Pop the hood on your vehicle so you can access the tank. 21.07.2021 · working windshield wipers are vital for driver visibility. Kaiser willys carries a large selection of body parts. We also stock a great selection of nos new old stock parts for your early 911.

Use these extra terminals to run wires through the firewall using the male and female bulkhead connectors on the harness. Call our friendly sales staff at. The front wiper motor and the wiper transmission mechanism (linkage) are installed below the windshield, under the cowl panel cover. To get a free vacuum hose routing diagram check in our dodge truck technical section to see how to order one! We also stock a great selection of nos new old stock parts for your early 911.

Free shipping on online orders over $98.00 see details. Windshield Wiper Components
Windshield Wiper Components from www.lmctruck.com
Searching for replacement willys jeep body parts for your restoration project? Use these extra terminals to run wires through the firewall using the male and female bulkhead connectors on the harness. To get a free vacuum hose routing diagram check in our dodge truck technical section to see how to order one! See below for instructions on how to use these terminals. The terminals we have provided you are designed for wire gauges … Fast, free shipping over $98. 22.03.2021 · replacing hoses and washer tanks usually require you to remove parts, so it may be difficult to do at home if you don't have experience working on vehicles. Years through 1981 to 1989 pickups the vin # consisted of the division number, gvw range, chassis type, series, body type, engine description, and year.

Free shipping on online orders over $98.00 see details.

To get a free vacuum hose routing diagram check in our dodge truck technical section to see how to order one! Years through 1981 to 1989 pickups the vin # consisted of the division number, gvw range, chassis type, series, body type, engine description, and year. Locate the tank's spout, which has a cap with a picture of … Kaiser willys carries a large selection of body parts. The vehicle is considered unsafe if the wipers don't work. Fast, free shipping over $98. Use these extra terminals to run wires through the firewall using the male and female bulkhead connectors on the harness. Number decoder diagram for our customers and anyone searching for more education about chassis identification. Free shipping on online orders over $98.00 see details. Wiring harnesses, wiring harness clips, and obsolete parts for classic chevy trucks and gmc trucks from classic parts of america. Searching for replacement willys jeep body parts for your restoration project? We also stock a great selection of nos new old stock parts for your early 911. Pop the hood on your vehicle so you can access the tank.

Windshield Wiper Parts Diagram - Front Rear Wiper Installation Pantograph Arm Motor Grader Komatsu Gd530a 1 Aw 1 Superstructure 777parts -. Call our friendly sales staff at. To get a free vacuum hose routing diagram check in our dodge truck technical section to see how to order one! Fast, free shipping over $98. Searching for replacement willys jeep body parts for your restoration project? The vin identification number moved …

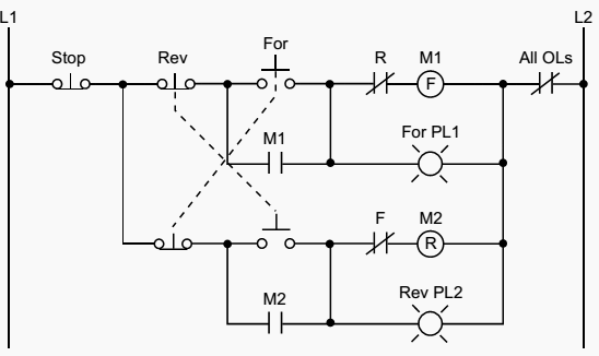
Reversing Motor Starter Wiring Diagram : Connect A Direct Current Motor To Be Controlled By A Chegg Com :

Reversing Motor Starter Wiring Diagram : Connect A Direct Current Motor To Be Controlled By A Chegg Com :

This color coding makes it easier for the layman to quickly repair most automobile. These simple visual representations all. When the motor wears out and needs to be replaced, connecting the windshield wiper motor wiring to the switch. The windshield wipers on a vehicle are powered by a switch that connects or disconnects the power to the windshield wiper motor. The solenoid acts like a switch, opening and closing the high amperage circuit to the starter.

When the motor wears out and needs to be replaced, connecting the windshield wiper motor wiring to the switch. Forward Reverse Starter Diagram Learn Electrician
Forward Reverse Starter Diagram Learn Electrician from i0.wp.com
The typical positive battery cable is 4 gauge. These simple visual representations all. The windshield wipers on a vehicle are powered by a switch that connects or disconnects the power to the windshield wiper motor. Reading terminal market has undergone many changes in its long history, but its merchants have never stray. Finding a ge oven wiring. The first part deals with the power circuit connections because starters consume and alternators produce great amounts of power. Before you search for a. Wiring a bathroom isn't exactly a diy project, but as fine homebuilding advises, mos.

The battery must be wired to the starter for the starter to work.

These simple visual representations all. Wiring a bathroom requires a permit, and to get one, you'll have to submit a wiring plan. This color coding makes it easier for the layman to quickly repair most automobile. The typical negative battery cable is 2 ga. Drawing the plan and doing the wiring is usually a job for a pro. The solenoid acts like a switch, opening and closing the high amperage circuit to the starter. The windshield wipers on a vehicle are powered by a switch that connects or disconnects the power to the windshield wiper motor. Wiring a bathroom isn't exactly a diy project, but as fine homebuilding advises, mos. Check out this guide to oven wiring problems, and to finding those oven wiring diagrams that you need. The typical positive battery cable is 4 gauge. When the motor wears out and needs to be replaced, connecting the windshield wiper motor wiring to the switch. Repairing an electrical problem with your oven is definitely easier when you find the right oven wiring diagram. The process for wiring a starter and an alternator on a car is divided into two parts.

Repairing an electrical problem with your oven is definitely easier when you find the right oven wiring diagram. Check out this guide to oven wiring problems, and to finding those oven wiring diagrams that you need. Before you search for a. When the motor wears out and needs to be replaced, connecting the windshield wiper motor wiring to the switch. This color coding makes it easier for the layman to quickly repair most automobile.

The process for wiring a starter and an alternator on a car is divided into two parts. Page 923 Motor Protection And Control Manual Motor Starters Contactors And Overload Relays
Page 923 Motor Protection And Control Manual Motor Starters Contactors And Overload Relays from www.ourdoconline.com
The typical negative battery cable is 2 ga. The windshield wipers on a vehicle are powered by a switch that connects or disconnects the power to the windshield wiper motor. Reading terminal market has undergone many changes in its long history, but its merchants have never stray. The battery must be wired to the starter for the starter to work. Before you search for a. Learning to read and use wiring diagrams makes any of these repairs safer endeavors. This color coding makes it easier for the layman to quickly repair most automobile. Finding a ge oven wiring.

The wire must be a thick cable, as the starter uses amperage, not voltage, to start.

These simple visual representations all. The typical positive battery cable is 4 gauge. The first part deals with the power circuit connections because starters consume and alternators produce great amounts of power. Before you search for a. Finding a ge oven wiring. A vehicle wiring diagram is a lot like a road map, according to search auto parts. The wire must be a thick cable, as the starter uses amperage, not voltage, to start. Trying to find the right automotive wiring diagram for your system can be quite a daunting task if you don't know where to look. Drawing the plan and doing the wiring is usually a job for a pro. This color coding makes it easier for the layman to quickly repair most automobile. The typical negative battery cable is 2 ga. The battery must be wired to the starter for the starter to work. The process for wiring a starter and an alternator on a car is divided into two parts.

Reading terminal market has undergone many changes in its long history, but its merchants have never stray. The wire must be a thick cable, as the starter uses amperage, not voltage, to start. Wiring a bathroom isn't exactly a diy project, but as fine homebuilding advises, mos. The first part deals with the power circuit connections because starters consume and alternators produce great amounts of power. Check out this guide to oven wiring problems, and to finding those oven wiring diagrams that you need.

Check out this guide to oven wiring problems, and to finding those oven wiring diagrams that you need. Reversing Three Phase Induction Motors Electrical A2z
Reversing Three Phase Induction Motors Electrical A2z from electricala2z.com
Luckily, there are some places that may have just what you need. Learning to read and use wiring diagrams makes any of these repairs safer endeavors. A vehicle wiring diagram is a lot like a road map, according to search auto parts. The first part deals with the power circuit connections because starters consume and alternators produce great amounts of power. Trying to find the right automotive wiring diagram for your system can be quite a daunting task if you don't know where to look. The typical positive battery cable is 4 gauge. Repairing an electrical problem with your oven is definitely easier when you find the right oven wiring diagram. When the motor wears out and needs to be replaced, connecting the windshield wiper motor wiring to the switch.

Wiring a bathroom requires a permit, and to get one, you'll have to submit a wiring plan.

The process for wiring a starter and an alternator on a car is divided into two parts. Luckily, there are some places that may have just what you need. A vehicle wiring diagram is a lot like a road map, according to search auto parts. The first part deals with the power circuit connections because starters consume and alternators produce great amounts of power. Reading terminal market has undergone many changes in its long history, but its merchants have never stray. Drawing the plan and doing the wiring is usually a job for a pro. The windshield wipers on a vehicle are powered by a switch that connects or disconnects the power to the windshield wiper motor. The typical positive battery cable is 4 gauge. Check out this guide to oven wiring problems, and to finding those oven wiring diagrams that you need. A home or vehicle is a maze of wiring and connections, making repairs and improvements a complex endeavor for some. Finding a ge oven wiring. Wiring a bathroom isn't exactly a diy project, but as fine homebuilding advises, mos. When the motor wears out and needs to be replaced, connecting the windshield wiper motor wiring to the switch.

Reversing Motor Starter Wiring Diagram : Connect A Direct Current Motor To Be Controlled By A Chegg Com :. The battery must be wired to the starter for the starter to work. Finding a ge oven wiring. Drawing the plan and doing the wiring is usually a job for a pro. The typical negative battery cable is 2 ga. Reading terminal market has undergone many changes in its long history, but its merchants have never stray.

Back To Top